單排球式回轉支承(內齒式)
來 源:洛陽鵬豐軸承制造有限公司
起訂量:1件
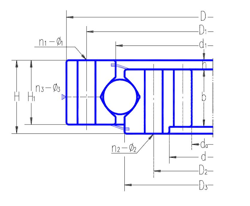
描 述:單排四點接觸球式回轉支承由兩個座圈組成,結構緊湊、重量輕、鋼球與圓弧滾道四點接觸,能同時承受軸向力、徑向力和傾翻力矩。回轉式輸送機、焊接操作機、中小型起重機和挖掘機等工程機械均可選用。
- 咨詢熱線:186-3799-0689
- 立即咨詢
詳細介紹 / DETAILS

單排球式回轉支承(轉盤軸承)的特點
單排四點接觸球式回轉支承由兩個座圈組成,結構緊湊、重量輕、鋼球與圓弧滾道四點接觸,能同時承受軸向力、徑向力和傾翻力矩。回轉式輸送機、焊接操作機、中小型起重機和挖掘機等工程機械均可選用。
單排球式回轉支承(轉盤軸承)的應用
主要為挖掘機、塔式起重機、汽車起重機和履帶式起重機配套,還使用在其它建設機械、工程機械上和港口機械、冶金機械、礦山機械、石油機械、化工機械、醫療設備、船舶機械、輕工機械、環保機械、娛樂設備、軍事裝備、太陽能發電等行業和領域。
支持非標訂做,如有特殊需求,請來電溝通,咨詢熱線:18637990689
相關產品
-
大型推力球軸承

-
單排交叉滾柱式轉盤軸承(無齒式)

-
單排交叉滾柱式轉盤軸承(外齒式)

-
單排交叉滾柱式轉盤軸承(內齒式)

-
三排滾柱式轉盤軸承

-
單排交叉滾柱式轉盤軸承(外齒式)

-
130.45.2500 三排滾柱式轉盤軸承(無齒式)

-
130.45.2500 三排滾柱式轉盤軸承(無齒式)

-
134.50.4500回轉支承

-
三排圓柱滾子轉盤軸承

-
三排131.50.3550.03G1轉盤軸承

-
131.50.3550回轉支承

-
大型推力球軸承

-
134.50.3550.03回轉支承

-
131.50.3150.03回轉支承

-
111.40.2800.03交叉圓柱滾子轉盤軸承

-
產品和業務

-
132.50.3550.03三排滾柱式轉盤軸承(外齒式)

-
球柱聯合式轉盤軸承(外齒式)

-
單排交叉滾柱式轉盤軸承(無齒式)

-
雙排球式轉盤軸承

-
單排球式回轉支承(外齒式)

-
單排球式回轉支承(內齒式)

-
單排球式回轉支承(無齒式)

-
HJN2270單排交叉滾子轉盤軸承

-
HSW840四點接觸球回轉支承(內套法蘭)

-
011.25.2043四點接觸球轉盤軸承(薄壁軸承)

-
1797/2600交叉滾子軸承

-
010.70.3150剖分式回轉支承

-
130.32.2240.03三排圓柱滾子組合轉盤軸承

-
011.30.1450.03K四點接觸球轉盤軸承

-
131.32.585.03K三排圓柱滾子組合轉盤軸承

-
4122-SLW單排角接觸球軸承薄壁軸承

豫公網安備 41032302000306號